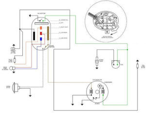
Fråga: Hej! Har ett förmodat el-problem på min Lambretta LD 150 från 1957. Den är renoverad och har ny kabelhärva. Jag vet inte om den haft batteri från början men kabeln fanns där och finns på nya härvan. Den startar lätt och går bra men när jag slår på lyset så dör den ner till … Fortsätt läsa Elproblem på Lambretta LD 150
Kopiera och klistra in denna URL på din WordPress-webbplats för att bädda in
Kopiera och klistra in denna kod på din webbplats för att bädda in