Växelproblem på flakmoped med sachsmotor
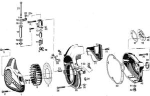
Fråga: Hej… Nu har jag stött på patrull som det heter… Jag och en polare har byt tändspole på min Crescent 1189 med Sachs 50/3 LS och när vi skall sätta tillbaka fläktkåpan så blev det problem med att få tillbaka växelgaffeln i muttern för växelstången. Till slut gick det men en del av växeltappslagret … Fortsätt läsa Växelproblem på flakmoped med sachsmotor
Kopiera och klistra in denna URL på din WordPress-webbplats för att bädda in
Kopiera och klistra in denna kod på din webbplats för att bädda in