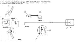
Fråga: Enligt min erfarenhet så har jag stött på två vanliga kopplingar av ljus och tuta på Ciao: 1. När man trycker på tutknappen leds strömmen så att den tvingas genom tutan för att sen gå vidare genom lampan och slutligen nå jord via ramen. Här hamnar alltså tutan i seriekoppling med lampan. 2. Kabeln … Fortsätt läsa Klen tuta på Piaggio Ciao
Kopiera och klistra in denna URL på din WordPress-webbplats för att bädda in
Kopiera och klistra in denna kod på din webbplats för att bädda in