Sprängskiss till bakhjulet på MCB 1289
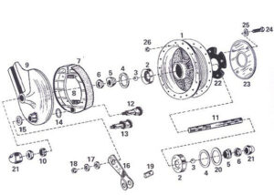
Fråga: Sprängskiss bakhjul MCB 1289 Finns det någon som har? Osäker på om det sitter rätt monterat på min nämligen. Mattias Svar: Den enda skiss jag har är på Grimecas baknav som möjligtvis kan vara det nav du har. Hoppas det kan vara till någon hjälp. Jim Lundberg
Kopiera och klistra in denna URL på din WordPress-webbplats för att bädda in
Kopiera och klistra in denna kod på din webbplats för att bädda in