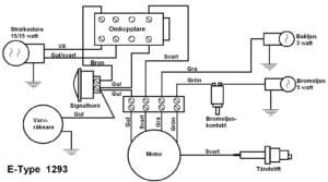
Kopplingsschema till MCB Compact
Har du något elschema till Compact med sachsmotor? Läs mer…
Kopiera och klistra in denna URL på din WordPress-webbplats för att bädda in
Kopiera och klistra in denna kod på din webbplats för att bädda in