
Fråga: Jag håller på att renovera en Norsjö flakmoppe med en Sachs 505, 3-växlad motor. Bifogar en bild med två generatorspolar och har några frågor.
1. Vad är den lilla utanpåliggande spolen till för? Den har en utgående kabel, den andra ”utgången” är i fästblecket = jord.
2. Den stora spolen har två utgående kablar, Det finns kontakt mellan A-E, B-E, A-B, A-C, B-C.
Normalt brukar det vara en utgång från spolen och den andra ”utgången” är i ankaret = jord. Hur skall kablarna A och B kopplas?
Robert Hagerborg
Svar: Alla spolar i denna typ av tändsystem är jordade i ena änden. Detta för att använda ramen som återledare vilket gör att man halverar antal kablar på mopeden. Alla spolar blir alltså strömförande mot jord (=ramen).
Om vi börjar med den lilla spolen överst så driver den baklyset och dess grå kabel ska dras direkt till detta och inte via någon ljusomkopplare. Denna spoles funktion är så att den parasiterar på den stora ljusspolen den sitter på och bakljusspolen ger då endast ström när ljusspolen belastas av framlyset. Detta har man gjort för att baklampan inte ska brinna upp om framlampan skulle gå sönder. Skulle nu framlampan paja så överlever baklampan med detta system. I med en ny framlampa och baklampan fungerar igen.
Den stora spolen, ljusspolen, har två kablar som kommer ut och det är en gul (till framlyset via ljusomkopplaren) samt en grön kabel (till bromsljuset via bromsljuskontakten). Vad ”E” på din bild är kan jag inte svara på. Det ser nästan ut som en lagning av en skadad koppartråd. Din bakljusspole har tyvärr skador från att svänghjulet har tagit i denna. Men den kan fungera ändå så det är bara att prova.
Om den skulle fungera så bör du lägga på någon form av lack ovanpå skadorna som ju har skalat av lackisoleringen som suttit från början. Se bara till att svänghjulet inte tar i igen. I så fall ka man ofta korta ner de distanshylsor som sitter runt skruvarna mellan spolarna någon millimeter.
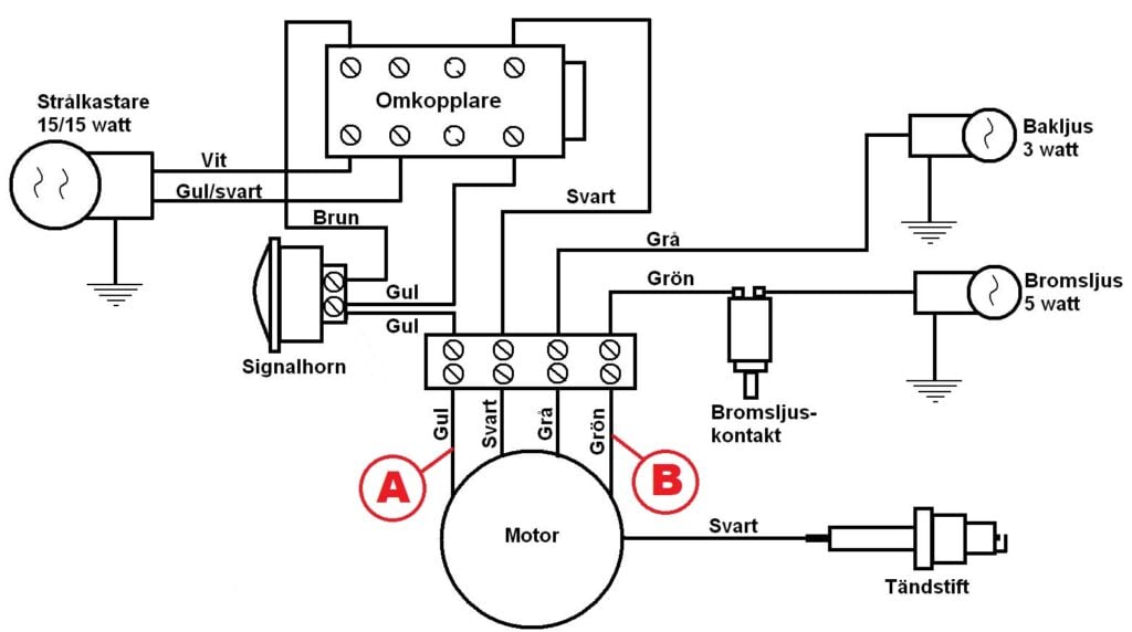
Hur du ska koppla kablarna ”A” och ”B” framgår av schemat nedan där jag markerat dessa med ”A” och ”B”. Det finns en kabelstandard för färgerna på äldre mopeder och den är bland annat dessa:
Svart: Dödarknapp
Grå: Bakljus
Grön: Bromsljus
Gul: Framljus (och tuta)
Jim Lundberg




